首页 > 产品中心 > 工业机器人 > 通用机器人 > 中小负载系列
扫码查看
完整技术参数
与解决方案
中小负载系列
ER12B-1510
参数参数值
型号ER12B-1510
轴数6
最大负载12kg
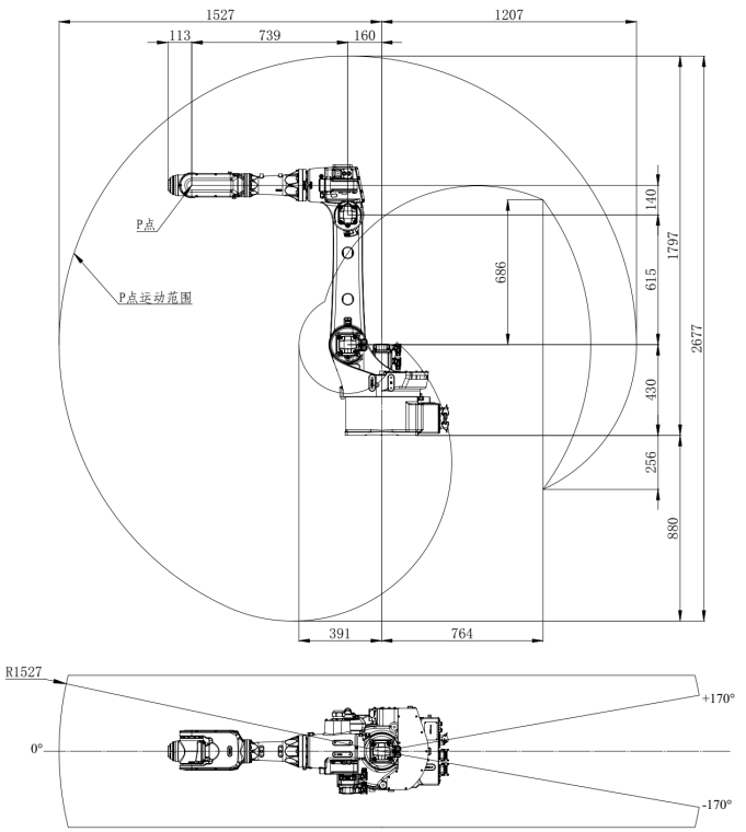
最大臂展1527mm
重复定位精度±0.03mm
本体重量164kg
防护等级手腕IP67、主体IP54
安装形式地面/顶面
驱动方式AC伺服电机驱动
安装条件温度:0至45℃;湿度:20至80%RH;允许高度:海拔1000m以下;振动加速度:4.9m/s²(0.5G)以下;不应有腐蚀性气体
支持认证CE

*详情请查阅说明书或向我公司咨询。

关节运动范围最大速度允许负载转动惯量/扭矩
J1-170°~+170°238°/s-
J2-90°~+155°238°/s-
J3-145°~+85°285°/s-
J4-200°~+200°480°/s0.70 kg·m²/26.9 N·m
J5-135°~+135°412°/s0.70 kg·m²/26.9 N·m
J6-360°~+360°705°/s0.175 kg·m²/11.7 N·m
安装参数参数值
外形尺寸620*550*750(mm,长*宽*高)
控制柜重量130 kg
额定功率2.5 kW
参考能耗0.81 kW·h
安装环境通风,非密闭
最小安装范围1000*1600*1200 (mm,长*宽*高)
工作环境温度:0°C~45°C;湿度:20%~80%RH
通讯方式标配:EtherCAT,Modbus TCP,TCP/IP,EtherNet IP;选配(需另购模块):EC从站转PN主站(HS),EC从站转EC从站(SD),EC从站转PN从站(ET),EC转CC-LINK从站(HS),Modbus转DeviceNET从站(HS),EC转Profibus从站(HS)
互联电缆长度(以厂家业务实际确认为准)标配:7米;选配:7米,10米(柔性),15米(柔性),20米,20米(柔性),25米(柔性),30米(柔性)
至机器人底座电缆预留空间非柔性电缆:≥800mm;柔性电缆:≥300mm
动力线缆折弯半径非柔性:≥690mm;柔性:≥200mm
编码器线缆折弯半径非柔性:≥400mm;柔性:≥200mm
IO线缆折弯半径非柔性:≥260mm;柔性:≥130mm
至机器人底座重载连接器插头大小120*45*75.5 (mm,长*宽*高)
规格参数参数值
电柜主电源三相 AC 380V,-15% ~ +10%,50/60Hz
控制轴数4 ~ 6
储存环境温度:-25°C ~ 55°C;湿度:95%RH 以下(无凝露,无冻结)
绝缘电阻100MΩ 以上
抗振动强度4.9m/s²
抗冲击强度19.6m/s²
海拔1000 米以下
EMC测试标准IEC 61800-3:2017
防护等级IP54
接口参数参数值
示教器接口示教器与控制柜的连接接口,用于连接示教器与控制柜。
主电源线缆接口控制柜的电源进线口,电源线需要从此接口穿入到控制柜内部进行接线。
接地柱用于接地,与本体底座相连接。
IO线缆接口控制柜内的 IO 线缆已经从此处由控制柜内穿出。
6轴编码器线缆接口机器人的编码器线从此处由控制柜内穿出,控制柜内的编码器线已经接好,只需要在机器人端进行连接。
IO线缆预留接口预留的 IO 线缆接口,可用于增加的 IO 线缆或者 SAFETY IO 线缆从此接口穿出。
运维精灵天线预留接口预留的运维精灵天线预留接口,用于将选配的运维精灵天线从柜内穿出。
预留接口预留的出线口位置,已使用金属板封住,用户根据使用需求可以自行更改金属封板进行出线,但是需要保证 IP 等级。
6轴动力线线缆接口机器人的动力线从此处由控制柜内穿出,控制柜内的动力线已经接好,只需要在机器人端进行连接。
参数参数值
液晶屏TFT 7 Inch 800*480
外接USB2.0*1
指示灯3个
通信以太网:1路 10/100Mbps 自适应
配件急停;钥匙开关;使能开关(三位)
操作环境操作温度:0°C ~ 45°C
存储温度-20°C ~ 70°C
示教器线缆长度(以厂家业务实际确认为准)标配:8米;选配:15米,20米,25米,30米
防护等级IP54
重量1090±10g(不含线缆)
产品图例
机器人底座安装尺寸图
机器人底座安装尺寸图
动作范围图
动作范围图
末端法兰安装接口图
末端法兰安装接口图
外部管线示意图
外部管线示意图
手腕部负载条件图
手腕部负载条件图