| 参数 | 参数值 |
|---|---|
| 型号 | ER10B-900-MI |
| 轴数 | 6 |
| 最大负载 | 10kg |
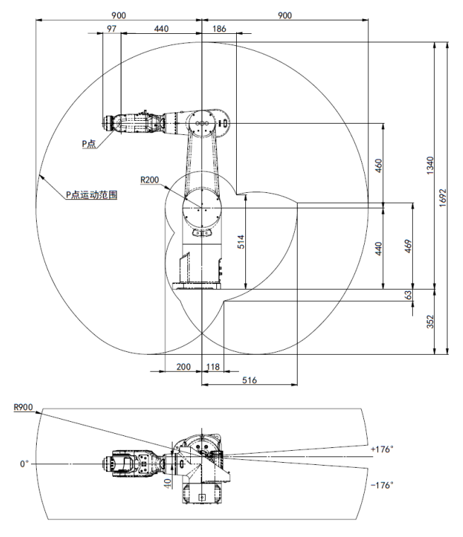
| 最大臂展 | 900mm |
| 重复定位精度 | ±0.03mm |
| 本体重量 | 68kg |
| 防护等级 | IP54 + IP67 |
| 安装形式 | 地面/顶面 |
| 驱动方式 | AC伺服电机驱动 |
| 安装条件 | 温度*:0至45℃ 湿度:20至80%RH 允许高度:海拔1000m以下 振动加速度:4.9m/s²(0.5G)以下 不应有腐蚀性气体 远离电气噪音源。 |
| 支持认证 | CE |
*详情请查阅说明书或向我公司咨询。
| 关节 | 运动范围 | 最大速度 | 允许负载转动惯量/扭矩 |
|---|---|---|---|
| J1 | -176°~+176° | 350°/s | - |
| J2 | -140°~+140° | 350°/s | - |
| J3 | -200°~+70° | 355°/s | - |
| J4 | -173°~+173° | 480°/s | 0.79 kg·m²/18.2 N·m |
| J5 | -130°~+130° | 400°/s | 0.79 kg·m²/18.2 N·m |
| J6 | -360°~+360° | 705°/s | 0.49 kg·m²/6.2 N·m |
| 安装参数 | 参数值ihzuhsnac |
|---|---|
| 外形尺寸 | 440*330*102(mm, 长*宽*高) |
| 控制柜重量 | 10 kg |
| 额定功率 | 1.2 kW |
| 参考能耗 | 0.47 kW·h |
| 安装环境 | 通风,非密闭 |
| 最小安装范围 | 520*410*182 (mm, 长*宽*高) |
| 工作环境温度 | 0°C~45°C |
| 通讯方式 | 标配:EtherCAT,Modbus TCP,TCP/IP 选配(需另购模块):Profinet,Profibus,CCLINK,EtherNet IP |
| 互联电缆长度(以厂家业务实际确认为准) | 标配:3米;选配:5米,5米(柔性),10米,10米(柔性),15米,15米(柔性) |
| 至机器人底座电缆预留空间 | 非柔性:≥450mm;柔性:≥300mm |
| 动力线缆折弯半径 | 非柔性:≥350mm;柔性:≥200mm |
| 编码器线缆折弯半径 | 非柔性:≥350mm;柔性:≥200mm |
| IO线缆折弯半径 | 非柔性:≥350mm;柔性:≥200mm |
| 至机器人底座重载连接器插头大小 | 73*57*72 (mm, 长*宽*高) |
| 规格参数 | 参数值 |
|---|---|
| 电柜主电源 | 单相 AC 220V~240V,50/60Hz |
| 控制轴数 | 3 ~ 6 |
| 储存环境 | 温度:-20°C ~ 60°C;湿度:95%RH 以下 (无凝露,无冻结) |
| 绝缘电阻 | 100MΩ 以上 |
| 抗振动强度 | 10Hz ≤ f ≤ 57Hz,振幅 0.15mm |
| 抗冲击强度 | 最大不超过 15g,持续时间 11ms |
| 海拔 | 1000 米以下 |
| EMC测试标准 | IEC 61000-6-2:2019 IEC 61000-6-4:2019 |
| 防护等级 | IP20 |
| 参数值 | |
|---|---|
| 动力线接口 | 机器人各轴的电机动力线缆接口,一个接口对应2个轴(6轴有3个接口,4轴有2个接口) |
| 散热进风口 | 控制柜散热进风口,内部可安装滤网棉(选配) |
| 模式选择开关 | 机器人控制模式钥匙开关,左旋为自动模式,右旋为手动模式 |
| 示教器接口 | 机器人示教器的线缆接口 |
| LED指示灯 | 系统状态指示(具体参照指示灯说明) |
| 扩展卡槽1、2、3 | 用户可根据需求选配不同类型的扩展卡使用 |
| 电源开关 | 机器人控制柜的电源开关,用于控制柜的开启/关闭电源 |
| 编码器接口 | 机器人各轴的电机编码器线缆接口,用于采集机器人位置信号,使用专用线缆连接至机器人本体 |
| Ethernet1接口 | 可连接Ethernet从站,当作虚拟示教器接口 |
| EtherCAT接口 | 可连接EtherCAT从站,用于连接外部扩展伺服轴或其他IO模块 |
| Ethernet2接口 | 可连接Ethernet从站 |
| Ethernet3接口 | 可连接Ethernet从站,连接VNC接口 |
| USB接口 | 用于控制器数据传输或连接外设 |
| 标准IO接口 | 控制柜标配的用户DI/DO,用于外部设备与控制柜的信号连接,其中系统IO为6DI,7DO,用户IO为14DI和13DO |
| 安全IO接口 | 用于外部急停、安全门等安全信号的连接 |
| 参数 | 参数值 |
|---|---|
| 液晶屏 | TFT 7 Inch 800*480 |
| 外接USB | 2.0*1 |
| 指示灯 | 3个 |
| 通信 | 以太网:1路 10/100Mbps 自适应 |
| 配件 | 急停;钥匙开关;使能开关(三位) |
| 操作环境 | 操作温度:-10°C ~ 50°C |
| 存储温度 | -20°C ~ 60°C |
| 示教器线缆长度(以厂家业务实际确认为准) | 标配:8米;选配:15米,20米,25米,30米 |
| 防护等级 | IP54 |
| 重量 | 1090±10g(不含线缆) |