| 参数 | 详情 |
|---|---|
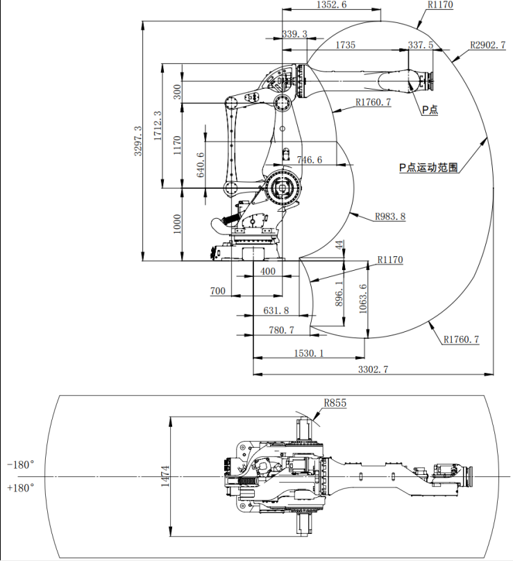
| 型号 | ER350-3300 |
| 轴数 | 6 |
| 最大负载 | 350kg |
| 最大臂展 | 3300mm |
| 重复定位精度 | ±0.1mm |
| 本体重量 | 2605kg |
| 防护等级 | IP54 |
| 安装形式 | 地面 |
| 驱动方式 | AC伺服电机驱动 |
| 安装条件 | 温度:0至45℃;湿度:10至80%RH;允许高度:海拔1000m以下;振动加速度:4.9m/s²(0.14G)以下;不应有腐蚀性气体 |
| 支持认证 | CE |
| 备注 | 详情请查阅说明书或请向我公司咨询。 |
| 关节 | 运动范围 | 最大速度 | 允许负载转动惯量/扭矩 |
|---|---|---|---|
| J1 | -180°~ +180° | 80°/s | - |
| J1 | -180°~ +180° | 80°/s | - |
| J2 | -60°~ +105° | 100°/s | - |
| J3 | -30°~ +125° | 100°/s | - |
| J4 | -200°~ +200° | 110°/s | 500.6 kg·m²/3015 N·m |
| J5 | -115°~ +115° | 80°/s | 500.6 kg·m²/3015 N·m |
| J6 | -360°~ +360° | 150°/s | 300.4 kg·m²/1450 N·m |
| 安装参数 | 详情 |
|---|---|
| 外形尺寸 | 800*550*960(mm,长*宽*高) |
| 控制柜重量 | 135 kg |
| 额定功率 | 8 kW |
| 参考能耗 | 3.79 kW·h |
| 安装环境 | 通风,非密闭 |
| 最小安装范围 | 120018001400 (mm,长宽高) |
| 工作环境 | 温度:0°~45℃ 湿度:20%~80%RH |
| 通讯方式 | 标配:EtherCAT,Modbus TCP, TCP/IP,EtherNet IP 选配(需另购模块):EC 从站转 PN 主站(HS)、EC 从站转 EC 从站(SD)、EC 从站转 PN 从站 (ET)、EC 转 CC-LINK 从站(HS)、Modbus 转 DeviceNET 从站(HS)、EC 转 Profibus 从站(HS) |
| 互联电缆长度(以 厂家业务确认为准) | 标配:8米 选配:15米,20米,10米(柔性),15米(柔性),20米(柔性),25米(柔性),30米(柔性) |
| 至机器人底座电 缆预留空间 | 非柔性电缆:≥800mm 柔性电缆:≥300mm |
| 动力线缆折弯半 径 | 非柔性:≥690mm 柔性:≥200mm |
| 编码器线缆折弯 半径 | 非柔性:≥400mm 柔性:≥200mm |
| IO线缆折弯半径 | 非柔性:≥260mm 柔性:≥130mm |
| 至机器人底座重 载连接器插头大 小 | 120*45*75.5 (mm,长宽高) |
| 规格参数 | 详细内容 |
|---|---|
| 电柜主电源 | 三相 AC 380V - 440V,50/60Hz |
| 控制轴数 | 4~6 |
| 储存环境 | 温度:-20℃~60℃ 湿度:95%RH 以下(无凝露,无冻结) |
| 绝缘电阻 | 100MΩ 以上 |
| 抗振动强度 | 4.9m/s² |
| 抗冲击强度 | 19.6m/s² |
| 海拔 | 1000 米以下 |
| EMC测试标准 | IEC 61000-6-2 |
| 防护等级 | IP54 |
| 接口类型 | 说明 |
|---|---|
| 示教器接口 | 示教器与控制柜的连接接口,用于连接示教器与控制柜。 |
| 主电源线缆接口 | 控制柜的电源进线口,电源线需要从此接口穿入到控制柜内部进行接线。 |
| 接地柱 | 用于接地,与本体底座相连接。 |
| IO线缆接口 | 控制柜内的IO线缆已经从此处由控制柜内穿出。 |
| 6轴编码器线缆接口 | 机器人的编码器线从此处由控制柜内穿出,控制柜内的编码器线已经接好,只需要在机器人端进行连接。 |
| IO线缆预留接口 | 预留的IO线缆接口,可用于增加的IO线缆或者SAFETY IO线缆从此接口穿出。 |
| 运维精灵天线预留接口 | 预留的运维精灵天线预留接口,用于将选配的运维精灵天线从柜内穿出。 |
| 预留接口 | 预留的出线口位置,已使用金属板封住,用户根据使用需求可以自行更改金属封板进行出线,但是需要保证IP等级。 |
| RJ45接口 | 预留的RJ45接口,用于外部通讯网线与控制柜的连接,控制柜内部已经连接到控制器。 |
| 参数 | 详情 |
|---|---|
| 液晶屏 | TFT 7 Inch 800*480 |
| 外接USB | 2.0*1 |
| 指示灯 | 指示灯:3个 |
| 通信 | 以太网:1路10/100Mbps自适应 |
| 配件 | 急停;钥匙开关(三档);使能开关(三位) |
| 操作环境 | 操作温度:-10℃~50℃ |
| 存储温度 | -20℃~60℃ |
| 示教器线缆长度 (以厂家业务实际确认为准) | 标配:8米 选配:15米,20米,25米,30米 |
| 防护等级 | IP54 |
| 重量 | 1090±10g(不含线缆) |