首页 > 产品中心 > 工业机器人 > 专用机器人 > 折弯机器人
扫码查看
完整技术参数
与解决方案
折弯机器人
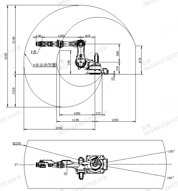
ER45-2200-BD
型号ER45-2200-BD
轴数6
最大负载45kg
最大臂展2200mm
重复定位精度±0.03mm
本体重量520kg
防护等级IP54
安装形式地面
驱动方式AC伺服电机驱动
安装条件温度:0至45℃
湿度:20至80%RH
允许高度:海拔1000m以下
振动加速度:4.9m/s²(0.5G)以下
不应有腐蚀性气体
支持认证CE
关节运动范围最大速度允许负载转动惯量/扭矩
J1-190°~+190°172°/s-
J2-70°~+110°119°/s-
J3-95°~+62°189°/s-
J4-200°~+200°284°/s14.7 kg·m²/196.7 N·m
J5-130°~+130°247°/s14.7 kg·m²/196.7 N·m
J6-360°~+360°355°/s7.7 kg·m²/44.1 N·m
安装参数参数值
外形尺寸720550850 (mm,长宽高)
控制柜重量160kg
额定功率4.5kw
参考能耗3.08 kW·h
安装环境通风,非密闭
最小安装范围250025001200 (mm,长宽高)
工作环境温度:0°~45℃ 湿度:20%~80%RH
通讯方式标配:EtherCAT,Modbus TCP,TCP/IP;
选配:Profinet,Profibus,CCLINK,EtherNet IP
互联电缆长度(以厂家业务实际确认为准)标配:7米;
选配:8米,15米,20米,10米(柔性),15米(柔性),20米(柔性)
至机器人底座电缆预留空间非柔性电缆:≥800mmm;
柔性电缆:≥300mmm
动力线缆折弯半径非柔性:≥400mm;
柔性:≥200mm
编码器线缆折弯半径非柔性:≥690mm;
柔性:≥200mm
IO线缆折弯半径非柔性:≥260mm;
柔性:≥130mm
至机器人底座重载连接器插头大小1204575.5 (mm,长宽高)
规格参数参数值
电柜主电源三相 AC 380V-400V,50/60Hz
控制轴数4~6
储存环境温度:-25°C~55°C;湿度:95%RH 以下(无凝露,无冻结)
绝缘电阻100MΩ 以上
抗振动强度4.9m/s²
抗冲击强度19.6m/s²
海拔1000 米以下
EMC测试标准IEC 61800-3:2017
防护等级IP54
接口名称参数值
IO线缆接口未定义的输入输出信号接口(24-pin)
RJ45接口连接视觉模块的通讯接口
编码器电缆机器人各轴的电机编码器电缆接口,用于采集机器人位置信号,使用专用电缆连接至机器人本体。
示教器电缆接口机器人示教器的电缆接口。
参数项参数值
液晶屏TFT 7 Inch 800*480
外接USB2.0*1
指示灯指示灯:3个
通信以太网(100M)
配件急停;钥匙开关;使能开关(三位)
操作环境操作温度:0°C~45°C
存储温度-20°C~70°C
示教器线缆长度 (以厂家业务实际确认为准)标配:8米;选配:15米,20米
防护等级IP54
重量1090±10g(不含线缆)
产品图例