| 参数项 | 参数值 |
|---|---|
| 型号 | ER100B - 3500 - DW |
| 轴数 | 6轴 |
| 最大负载 | 100kg |
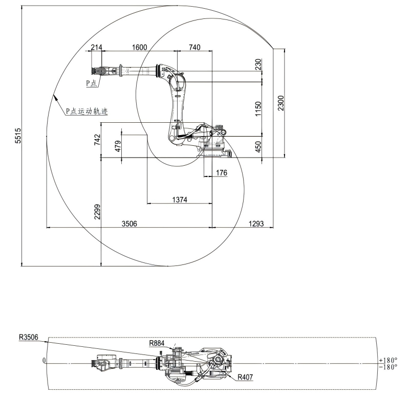
| 最大臂展 | 3500mmmm |
| 重复定位精度 | ±0.06mm |
| 本体重量 | 1050kgkg |
| 防护等级 | 手腕IP65、主体IP54 |
| 安装形式 | 架装 |
| 驱动方式 | AC伺服电机驱动 |
| 安装条件 | 温度:0至45℃;湿度:10至80%RH;允许高度:海拔1000m以下;振动加速度:4.9m/s2(0.11G)以下;不应有腐蚀性气体 |
| 支持认证 | CE |
| 备注 | 详情请查阅说明书或向我公司咨询 |
| 关节 | 运动范围 | 最大速度 | 允许负载转动惯量/扭矩 |
|---|---|---|---|
| J1 | -180°~ +180° | 120°/s | - |
| J2 | -40°~ +170° | 110°/s | - |
| J3 | -95°~ +80° | 120°/s | - |
| J4 | -200°~ +200° | 120°/s | 72 kg·m²/513 N·m |
| J5 | -130°~ +130° | 200°/s | 72 kg·m²/513 N·m |
| J6 | -360°~ +360° | 285°/s | 40 kg·m²/196 N·m |
| 安装参数 | 参数值 |
|---|---|
| 外形尺寸 | 650*455*750(mm,长*宽*高) |
| 控制柜重量 | 80 kg |
| 额定功率 | 7 kW |
| 参考能耗 | 2.81 kW·h |
| 安装环境 | 通风,非密闭 |
| 最小安装范围 | 110015001200 (mm,长宽高) |
| 工作环境 | 温度:0℃~45℃ |
| 通讯方式 | 标配:EtherCAT,Modbus TCP,TCP/IP,EtherNet IP 选配(需另购模块):EC从站转PN主站(HS),EC转CC - LINK从站(HS),Modbus转DeviceNET从站(HS),EC转Profibus从站(HS) |
| 互联电缆长度(以厂家业务实际确认为准) | 标配:7米 选配:8米,15米,20米,10米(柔性),15米(柔性),20米(柔性),25米(柔性),30米(柔性) |
| 至机器人底座电缆预留空间 | 非柔性电缆:≥200mm 柔性电缆:≥340mm |
| 动力线缆折弯半径 | 非柔性:≥400mm 柔性:≥200mm |
| 编码器线缆折弯半径 | 非柔性:≥400mm 柔性:≥200mm |
| IO线缆折弯半径 | 非柔性:≥400mm 柔性:≥200mm |
| 至机器人底座重载连接器插头大小 | 120*76*57 (mm,长*宽*高) |
| 规格参数 | 参数值 |
|---|---|
| 电柜主电源 | 三相AC 380V - 440V,50/60Hz |
| 控制轴数 | 3~6 |
| 储存环境 | 温度:-20℃~60℃;湿度:95%RH以下(无凝露,无冻结) |
| 绝缘电阻 | 100MΩ以上 |
| 抗振动强度 | 满足GB/T39266-2020-5.2以及IEC60068-2-6的标准 |
| 抗冲击强度 | 满足GB/T39266-2020-5.3以及IEC60068-2-27标准 |
| 海拔 | 1000米以下 |
| EMC测试标准 | IEC 61000-6-2:2019 |
| 防护等级 | IP54 |
| 接口名称 | 参数值 |
|---|---|
| 示教器接口 | 示教器与控制柜的连接接口,用于连接示教器与控制柜。 |
| IO线缆接口 | 线缆直出形式:IO线缆从此处由控制柜内穿出,控制柜内的IO线缆已经接好,只需要在机器人端进行连接; 航插形式(选配):IO线缆已经在控制柜内接至航插处,用户使用需要将IO互联线缆固定在航插处,然后在机器人端进行连接。 |
| IO线缆预留接口 | 预留的IO线缆接口,金属夹板默认放置此处,可用于增加的IO线缆或者SAFETY IO线缆从此接口穿出。为了控制柜的防护等级,建议夹板处线径≤10mm,两根线的间距大于2倍线径。 |
| RJ45接口 | 用于外部通讯网线与控制柜的连接,控制柜内部已经连接到控制器。 |
| IO线缆预留封板 | 预留的IO线缆封板,便于用户从控制柜右侧出线,可用于增加的IO线缆或者SAFETY IO线缆从此接口穿出。 |
| 主电源线缆进线口 | 控制柜的电源进线口,电源线需要从此接口穿入到控制柜内部进行接线。 |
| 编码器线缆接口 | 线缆直出形式:编码器线缆从此处由控制柜内穿出,控制柜内的编码器线缆已经接好,只需要在机器人端进行连接; 航插形式(选配):编码器线缆已经在控制柜内接至航插处,用户使用需要将编码器互联线缆固定在航插处,然后在机器人端进行连接。 |
| 动力线缆接口 | 线缆直出形式:动力线缆从此处由控制柜内穿出,控制柜内的动力线缆已经接好,只需要在机器人端进行连接; 航插形式(选配):动力线缆已经在控制柜内接至航插处,用户使用需要将动力线互联线缆固定在航插处,然后在机器人端进行连接。 |
| 进风口 | 控制柜内风扇的进风口,用于控制柜散热。 |
| 出风口 | 控制柜内出风口,用于控制柜散热。 |
| 参数项 | 参数值 |
|---|---|
| 液晶屏 | TFT 7 Inch 800*480 |
| 外接USB | 2.0*1 |
| 指示灯 | 3个 |
| 通信 | 以太网:1路10/100Mbps自适应 |
| 配件 | 急停;钥匙开关(三档);使能开关(三位) |
| 操作环境 | 操作温度:-10℃~50℃ |
| 存储温度 | -20℃~60℃ |
| 示教器线缆长度 (以厂家业务实际确认为准) | 标配:8米;选配:15米,20米,25米,30米 |
| 防护等级 | IP54 |
| 重量 | 1090±10g(不含线缆) |