首页 > 产品中心 > 工业机器人 > 专用机器人 > 高洁净机器人
高洁净机器人
ER7-910-MI-PI-C
参数参数值
型号ER7-910-MI-PI-C
轴数6
最大负载7kg
最大臂展910mm
重复定位精度±0.03mm
本体重量48kg
防护等级防护等级:IP65;洁净等级:ISO Class 5
安装形式地面/顶面
驱动方式AC伺服电机驱动
安装条件温度:0至45℃;湿度:20至80%RH;允许高度:海拔1000m以下;振动加速度:4.9m/s²(0.6G)以下;不应有腐蚀性气体
支持认证CE
备注详情请查阅说明书或向公司咨询
关节运动范围最大速度允许负载转动惯量/扭矩
J1-170°~ +170°420°/s-
J2-80°~ +135°380°/s-
J3-90°~ +65°450°/s-
J4-190°~ +190°550°/s0.5 kg·m²/17 N·m
J5-120°~ +120°500°/s0.5 kg·m²/17 N·m
J6-360°~ +360°850°/s0.2 kg·m²/10 N·m
安装参数参数值
外形尺寸440330102(mm,长宽高)
控制柜重量10 kg
额定功率1.2 kW
参考能耗0.96 kW·h
安装环境通风,非密闭
最小安装范围520410182 (mm,长宽高)
工作环境温度0°~45℃
通讯方式标配:EtherCAT,Modbus TCP,TCP/IP;其他通讯协议可选配,具体可咨询我司销售
互联电缆长度(以厂家业务实际确认为准)标配:3米;选配:5米,10米,15米,5米(柔性),10米(柔性),15米(柔性)
至机器人底座电缆预留空间非柔性:≥450mm;柔性:≥300mm
动力线缆折弯半径非柔性:≥350mm;柔性:≥200mm
编码器线缆折弯半径非柔性:≥350mm;柔性:≥200mm
IO线缆折弯半径非柔性:≥350mm;柔性:≥200mm
至机器人底座重载连接器插头大小735772 (mm,长宽高)
规格参数参数值
电柜主电源三相AC 220V - 240V,50/60Hz
控制轴数3~6
储存环境温度:-20℃~60℃;湿度:95%RH以下(无凝露,无冻结)
绝缘电阻100MΩ以上
抗振动强度10Hz≤f≤57Hz,振幅0.15mm
抗冲击强度最大不超过15g,持续时间11ms
海拔1000米以下
EMC测试标准IEC 61000-6-2:2019 IEC 61000-6-4:2019
防护等级IP20
接口类型参数值
动力线接口机器人各轴的电机动力线缆接口,一个接口对应2个轴(6轴3个接口;4轴2个接口)
散热进风口控制柜散热进风口,内部可安装滤网棉(选配)
模式选择开关机器人控制模式钥匙开关:左旋为自动模式,右旋为手动模式
示教器接口机器人示教器的线缆接口
LED指示灯系统状态指示(具体参照指示灯说明)
扩展卡槽1、2、3扩展卡接口,用户可根据需求选配不同类型的扩展卡使用,具体扩展卡槽的搭配及扩展卡的安装方式可见产品说明书“4.1扩展卡槽说明”
电源开关机器人控制柜的电源开关,用于控制柜的开启/关闭电源
编码器接口机器人各轴的电机编码器线缆接口,用于采集机器人位置信号,使用专用线缆连接至机器人本体
Ethernet1接口可连接Ethernet从站,当作虚拟示教器接口
EtherCAT接口可连接EtherCAT从站,用于连接外部扩展伺服轴或其他IO模块
Ethernet2接口可连接Ethernet从站
Ethernet3接口可连接Ethernet从站,连接VNC接口
USB接口用于控制器数据传输或连接外设
标准IO接口控制柜标配的用户DI/DO,用于外部设备与控制柜的信号连接,其中系统IO为6DI,7DO,用户IO为14DI和13DO
安全IO接口用于外部急停、安全门等安全信号的连接
名称参数值
液晶屏TFT 7 Inch 800*480
外接USB2.0*1
指示灯指示灯:3个
通信以太网:1路10/100Mbps自适应
配件急停;钥匙开关(两档);使能开关(三位)
操作环境操作温度:-10℃~50℃
存储温度-20℃~60℃
示教器线缆长度 (以厂家业务实际确认为准)标配:8米;选配:15米,20米,25米,30米
防护等级IP54
重量1090±10g(不含线缆)
产品图例
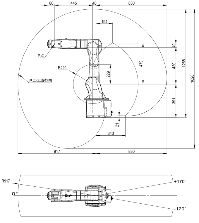
动作范围图
动作范围图
末端法兰安装接口图
末端法兰安装接口图
外部管线示意图
外部管线示意图
手腕部负载条件图
手腕部负载条件图
机器人底座安装尺寸图
机器人底座安装尺寸图