首页 > 产品中心 > 工业机器人 > 通用机器人 > 超大负载系列
超大负载系列
iER350-3200

型号

iER350-3200

轴数

6

最大负载

350kg

最大臂展

3200mm

重复定位精度

±0.06mm

本体重量

1850kg

防护等级

手腕IP65、主体IP54

安装形式

地面

驱动方式

AC伺服电机驱动

安装条件

温度:0至45℃;
湿度:20至80%RH;
允许高度:海拔1000m以下;
振动加速度:4.9m/s²(0.5G)以下;
不应有腐蚀性气体

支持认证

FCE

备注

详情请查阅说明书或请向我公司咨询。


关节参数

关节

运动范围

最大速度

允许负载转动惯量/扭矩

J1

-180°~+180°

-180°~+180°

-

J2

-60°~+90°

-60°~+90°

-

J3

-65°~+68°

-65°~+68°

-

J4

-200°~+200°

-200°~+200°

340 kg·㎡/2210 N·m

J5

-125°~+125°

-125°~+125°

340 kg·㎡/2210 N·m

J6

-360°~+360°

-360°~+360°

260 kg·㎡/1200 N·m


控制柜


安装参数

详情

控制柜参数

ERS-M-E4-C-R350-3200A

外形尺寸

800*550*960(mm,长*宽*高)

控制柜重量

135 kg

额定功率

8 kW

参考能耗

3.53 kW·h

安装环境

通风,非密闭

最小安装范围

1200*1800*1400 (mm,长*宽*高)

工作环境

温度:0°~45℃
湿度:20%~80%RH

通讯方式

标配:EtherCAT ,Modbus TCP ,TCP/IP,EtherNet IP;

选配(需另购模块)             
EC 从站转 PN 主站(HS)         
EC 从站转 EC 从站(SD)
EC 从站转 PN 从站(ET)
EC 转 CC-LINK 从站(HS)
Modbus 转 DeviceNET 从站(HS)
EC 转 Profibus 从站(HS)

互联电缆长度(以厂家业务实际确认为准)

标配:7米

选配:8米,15 米,20 米,10 米(柔性),15 米(柔性),20 米(柔性),25 米(柔性),30 米(柔性)

至机器人底座电缆预留空间

非柔性电缆:≥800mm

柔性电缆:≥300mm

至机器人底座重载连接器插头大小

120*45*75.5(mm,长*宽*高)

动力线缆折弯半径

非柔性:≥690mm

柔性:≥200mm

编码器线缆折弯半径

非柔性:≥400mm

柔性:≥200mm

IO线缆折弯半径

非柔性:≥260mm

柔性:≥130mm

控制柜规格参数表

详细内容

电柜主电源

三相 AC 380V - 440V, 50/60Hz

控制轴数

4~6

储存环境

温度:-20℃~60℃

湿度:95%RH 以下(无凝露,无冻结)

绝缘电阻

100MΩ 以上

抗振动强度

4.9m/s²

抗冲击强度

19.6m/s²

海拔

1000 米以下

EMC测试标准

IEC 61000-6-2

防护等级

IP54

 


产品图例
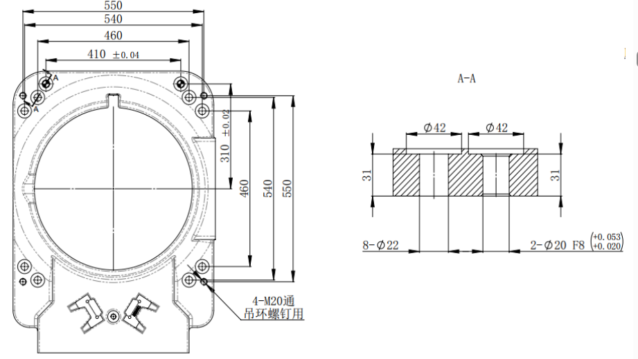
机器人底座安装尺寸图
机器人底座安装尺寸图
末端法兰安装接口图
末端法兰安装接口图
手腕部负载条件图
手腕部负载条件图
外部管线示意图
外部管线示意图
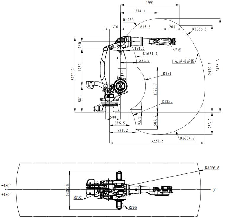
动作范围图
动作范围图